RX108減速電機詳細信息
RX108減速電機
RX108減速電機功率計算公式:齒輪減速馬達
觀光小火車參數:鏈輪直徑205,拉動19噸,運輸一分鐘23米
23米÷(0.205鏈輪直徑X3.14)=35.73轉每分鐘
19噸換算成N=190000N
190000×0.1025鏈輪半徑×0.3橡膠輪水泥路的摩擦系數=5842.5N.m
通常確保萬無一失,我們會把輸出扭矩放大兩倍5842.5×2=11685N.m
電機轉數1400÷輸出轉數35.73=39.18比
11685N.m輸出扭矩÷39.18比=298.24N.m電機扭矩
298.24N.m電機扭矩換算成功率40KW以上
對應的RX108減速機型號參數:
型號:RX108-BVP45KW
減速比:39.18
輸出轉數:35.73轉每分鐘
輸出扭矩:11700N.m
安全系數:1.30
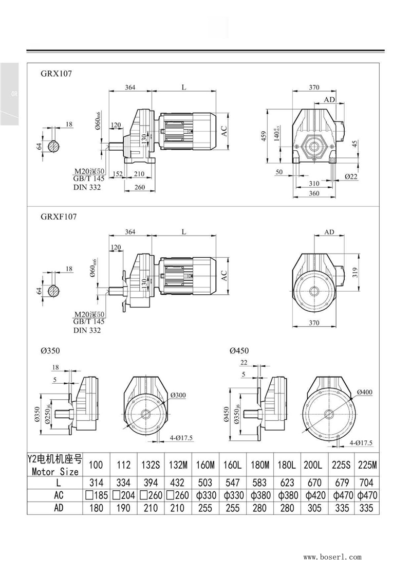
RX108減速機基座尺寸:輸出軸Φ20+鍵2.5(可定做),高134*寬135*長174(帶輸出軸)RX系列減速機

RX108臥式斜齒輪硬齒面減速機型號:

RX108減速電機型號參數:同軸斜齒輪減速電機
RX108減速機配2.2KW電機參數
| 型號 | 功率 | 輸出轉數 | 輸出扭矩 | 服務系數 |
| RX108-Y2.2KW | 2.2kw | 5.6rpm | 3760N.m | 1.15 |
| RX108-Y2.2KW | 2.2kw | 6.1rpm | 3450N.m | 1.25 |
| RX108-Y2.2KW | 2.2kw | 6.9rpm | 3040N.m | 1.4 |
| RX108-Y2.2KW | 2.2kw | 8.1rpm | 2580N.m | 1.65 |
| RX108-Y2.2KW | 2.2kw | 8.8rpm | 2380N.m | 1.8 |
| RX108-Y2.2KW | 2.2kw | 9.9rpm | 2120N.m | 2 |
| RX108-Y2.2KW | 2.2kw | 11rpm | 1910N.m | 2.2 |
| RX108-Y2.2KW | 2.2kw | 12rpm | 1730N.m | 2.5 |
| RX108-Y2.2KW | 2.2kw | 14rpm | 1530N.m | 2.8 |
| RX108-Y2.2KW | 2.2kw | 15rpm | 1390N.m | 3.1 |
RX108減速機配3KW電機參數
| 型號 | 功率 | 輸出轉數 | 輸出扭矩 | 服務系數 |
| RX108-Y3KW | 3kw | 6.1rpm | 4700N.m | 0.9 |
| RX108-Y3KW | 3kw | 6.9rpm | 4150N.m | 1.05 |
| RX108-Y3KW | 3kw | 8.1rpm | 3520N.m | 1.2 |
| RX108-Y3KW | 3kw | 8.8rpm | 3240N.m | 1.3 |
| RX108-Y3KW | 3kw | 9.9rpm | 2900N.m | 1.5 |
| RX108-Y3KW | 3kw | 11rpm | 2610N.m | 1.65 |
| RX108-Y3KW | 3kw | 12rpm | 2360N.m | 1.8 |
| RX108-Y3KW | 3kw | 14rpm | 2090N.m | 2 |
| RX108-Y3KW | 3kw | 15rpm | 1890N.m | 2.3 |
| RX108-Y3KW | 3kw | 18rpm | 1600N.m | 2.7 |
| RX108-Y3KW | 3kw | 19rpm | 1490N.m | 2.9 |
RX108減速機配4KW電機參數
| 型號 | 功率 | 輸出轉數 | 輸出扭矩 | 服務系數 |
| RX108-Y4KW | 4kw | 8.3rpm | 4590N.m | 0.95 |
| RX108-Y4KW | 4kw | 9rpm | 4220N.m | 1 |
| RX108-Y4KW | 4kw | 10rpm | 3780N.m | 1.15 |
| RX108-Y4KW | 4kw | 11rpm | 3400N.m | 1.25 |
| RX108-Y4KW | 4kw | 12rpm | 3080N.m | 1.4 |
| RX108-Y4KW | 4kw | 14rpm | 2730N.m | 1.6 |
| RX108-Y4KW | 4kw | 15rpm | 2470N.m | 1.75 |
| RX108-Y4KW | 4kw | 18rpm | 2090N.m | 2.1 |
| RX108-Y4KW | 4kw | 20rpm | 1940N.m | 2.2 |
| RX108-Y4KW | 4kw | 22rpm | 1750N.m | 2.5 |
| RX108-Y4KW | 4kw | 24rpm | 1580N.m | 2.7 |
| RX108-Y4KW | 4kw | 27rpm | 1400N.m | 3.1 |
RX108減速機配5.5KW電機參數
| 型號 | 功率 | 輸出轉數 | 輸出扭矩 | 服務系數 |
| RX108-Y5.5KW | 5.5kw | 11rpm | 4640N.m | 0.95 |
| RX108-Y5.5KW | 5.5kw | 12rpm | 4200N.m | 1 |
| RX108-Y5.5KW | 5.5kw | 14rpm | 3720N.m | 1.15 |
| RX108-Y5.5KW | 5.5kw | 16rpm | 3360N.m | 1.3 |
| RX108-Y5.5KW | 5.5kw | 18rpm | 2850N.m | 1.5 |
| RX108-Y5.5KW | 5.5kw | 20rpm | 2640N.m | 1.6 |
| RX108-Y5.5KW | 5.5kw | 22rpm | 2380N.m | 1.8 |
| RX108-Y5.5KW | 5.5kw | 24rpm | 2150N.m | 2 |
| RX108-Y5.5KW | 5.5kw | 27rpm | 1910N.m | 2.2 |
| RX108-Y5.5KW | 5.5kw | 30rpm | 1730N.m | 2.5 |
| RX108-Y5.5KW | 5.5kw | 36rpm | 1460N.m | 2.9 |
RX108減速機配7.5KW電機參數
| 型號 | 功率 | 輸出轉數 | 輸出扭矩 | 服務系數 |
| RX108-Y7.5KW | 7.5kw | 16rpm | 4590N.m | 0.95 |
| RX108-Y7.5KW | 7.5kw | 18rpm | 3890N.m | 1.1 |
| RX108-Y7.5KW | 7.5kw | 20rpm | 3610N.m | 1.2 |
| RX108-Y7.5KW | 7.5kw | 22rpm | 3250N.m | 1.3 |
| RX108-Y7.5KW | 7.5kw | 24rpm | 2940N.m | 1.45 |
| RX108-Y7.5KW | 7.5kw | 27rpm | 2610N.m | 1.65 |
| RX108-Y7.5KW | 7.5kw | 30rpm | 2360N.m | 1.8 |
| RX108-Y7.5KW | 7.5kw | 36rpm | 2000N.m | 2.2 |
| RX108-Y7.5KW | 7.5kw | 41rpm | 1740N.m | 2.5 |
| RX108-Y7.5KW | 7.5kw | 49rpm | 1460N.m | 2.9 |
| RX108-Y7.5KW | 7.5kw | 47rpm | 1520N.m | 2.8 |
| RX108-Y7.5KW | 7.5kw | 52rpm | 1360N.m | 3.2 |
| RX108-Y7.5KW | 7.5kw | 58rpm | 1230N.m | 3.5 |
| RX108-Y7.5KW | 7.5kw | 64rpm | 1120N.m | 3.8 |
RX108減速機配11KW電機參數
| 型號 | 功率 | 輸出轉數 | 輸出扭矩 | 服務系數 |
| RX108-Y11KW | 11kw | 22rpm | 4710N.m | 0.9 |
| RX108-Y11KW | 11kw | 25rpm | 4270N.m | 1 |
| RX108-Y11KW | 11kw | 28rpm | 3790N.m | 1.15 |
| RX108-Y11KW | 11kw | 31rpm | 3420N.m | 1.25 |
| RX108-Y11KW | 11kw | 36rpm | 2900N.m | 1.5 |
| RX108-Y11KW | 11kw | 41rpm | 2530N.m | 1.7 |
| RX108-Y11KW | 11kw | 50rpm | 2120N.m | 2 |
| RX108-Y11KW | 11kw | 47rpm | 2210N.m | 1.95 |
| RX108-Y11KW | 11kw | 53rpm | 1980N.m | 2.2 |
| RX108-Y11KW | 11kw | 59rpm | 1790N.m | 2.4 |
| RX108-Y11KW | 11kw | 65rpm | 1620N.m | 2.6 |
| RX108-Y11KW | 11kw | 73rpm | 1440N.m | 3 |
| RX108-Y11KW | 11kw | 80rpm | 1310N.m | 3.3 |
RX108減速機配15KW電機參數
| 型號 | 功率 | 輸出轉數 | 輸出扭矩 | 服務系數 |
| RX108-Y15KW | 15kw | 31rpm | 4670N.m | 0.9 |
| RX108-Y15KW | 15kw | 36rpm | 3960N.m | 1.1 |
| RX108-Y15KW | 15kw | 41rpm | 3460N.m | 1.25 |
| RX108-Y15KW | 15kw | 50rpm | 2890N.m | 1.5 |
| RX108-Y15KW | 15kw | 47rpm | 3020N.m | 1.4 |
| RX108-Y15KW | 15kw | 53rpm | 2710N.m | 1.6 |
| RX108-Y15KW | 15kw | 59rpm | 2440N.m | 1.75 |
| RX108-Y15KW | 15kw | 65rpm | 2220N.m | 1.95 |
| RX108-Y15KW | 15kw | 73rpm | 1970N.m | 2.2 |
| RX108-Y15KW | 15kw | 80rpm | 1790N.m | 2.4 |
| RX108-Y15KW | 15kw | 93rpm | 1540N.m | 2.8 |
| RX108-Y15KW | 15kw | 107rpm | 1340N.m | 3.2 |
RX108減速機配18.5KW電機參數
| 型號 | 功率 | 輸出轉數 | 輸出扭矩 | 服務系數 |
| RX108-Y18.5KW | 18.5kw | 36rpm | 4880N.m | 0.9 |
| RX108-Y18.5KW | 18.5kw | 41rpm | 4260N.m | 1 |
| RX108-Y18.5KW | 18.5kw | 50rpm | 3560N.m | 1.2 |
| RX108-Y18.5KW | 18.5kw | 59rpm | 3010N.m | 1.45 |
| RX108-Y18.5KW | 18.5kw | 65rpm | 2730N.m | 1.55 |
| RX108-Y18.5KW | 18.5kw | 73rpm | 2420N.m | 1.75 |
| RX108-Y18.5KW | 18.5kw | 80rpm | 2200N.m | 1.95 |
| RX108-Y18.5KW | 18.5kw | 93rpm | 1890N.m | 2.3 |
| RX108-Y18.5KW | 18.5kw | 107rpm | 1650N.m | 2.6 |
| RX108-Y18.5KW | 18.5kw | 126rpm | 1400N.m | 3.1 |
| RX108-Y18.5KW | 18.5kw | 144rpm | 1220N.m | 3.5 |
| RX108-Y18.5KW | 18.5kw | 186rpm | 950N.m | 3.1 |
| RX108-Y18.5KW | 18.5kw | 219rpm | 800N.m | 3.7 |
RX108減速機配22KW電機參數
| 型號 | 功率 | 輸出轉數 | 輸出扭矩 | 服務系數 |
| RX108-Y22KW | 22kw | 41rpm | 5070N.m | 0.85 |
| RX108-Y22KW | 22kw | 50rpm | 4240N.m | 1 |
| RX108-Y22KW | 22kw | 59rpm | 3580N.m | 1.2 |
| RX108-Y22KW | 22kw | 65rpm | 3280N.m | 1.3 |
| RX108-Y22KW | 22kw | 73rpm | 2880N.m | 1.5 |
| RX108-Y22KW | 22kw | 80rpm | 2620N.m | 1.65 |
| RX108-Y22KW | 22kw | 93rpm | 2250N.m | 1.9 |
| RX108-Y22KW | 22kw | 107rpm | 1960N.m | 2.2 |
| RX108-Y22KW | 22kw | 126rpm | 1660N.m | 2.6 |
| RX108-Y22KW | 22kw | 144rpm | 1450N.m | 3 |
| RX108-Y22KW | 22kw | 170rpm | 1230N.m | 3.5 |
| RX108-Y22KW | 22kw | 186rpm | 1130N.m | 2.6 |
| RX108-Y22KW | 22kw | 219rpm | 950N.m | 3.1 |
| RX108-Y22KW | 22kw | 251rpm | 830N.m | 3.5 |
RX108減速機配30KW電機參數
| 型號 | 功率 | 輸出轉數 | 輸出扭矩 | 服務系數 |
| RX108-Y30KW | 30kw | 74rpm | 3900N.m | 1.1 |
| RX108-Y30KW | 30kw | 81rpm | 3540N.m | 1.2 |
| RX108-Y30KW | 30kw | 94rpm | 3040N.m | 1.4 |
| RX108-Y30KW | 30kw | 108rpm | 2650N.m | 1.6 |
| RX108-Y30KW | 30kw | 127rpm | 2250N.m | 1.9 |
| RX108-Y30KW | 30kw | 146rpm | 1970N.m | 2.2 |
| RX108-Y30KW | 30kw | 172rpm | 1660N.m | 2.6 |
| RX108-Y30KW | 30kw | 188rpm | 1530N.m | 1.95 |
| RX108-Y30KW | 30kw | 221rpm | 1290N.m | 2.3 |
| RX108-Y30KW | 30kw | 253rpm | 1130N.m | 2.6 |
| RX108-Y30KW | 30kw | 300rpm | 960N.m | 3 |
RX108減速機配37KW電機參數
| 型號 | 功率 | 輸出轉數 | 輸出扭矩 | 服務系數 |
| RX108-Y37KW | 45kw | 95rpm | 4540N.m | 0.95 |
| RX108-Y37KW | 45kw | 108rpm | 3960N.m | 1.1 |
| RX108-Y37KW | 45kw | 128rpm | 3360N.m | 1.3 |
| RX108-Y37KW | 45kw | 146rpm | 2940N.m | 1.45 |
| RX108-Y37KW | 45kw | 173rpm | 2480N.m | 1.75 |
| RX108-Y37KW | 45kw | 188rpm | 2280N.m | 1.3 |
| RX108-Y37KW | 45kw | 222rpm | 1930N.m | 1.55 |
| RX108-Y37KW | 45kw | 254rpm | 1690N.m | 1.75 |
| RX108-Y37KW | 45kw | 301rpm | 1420N.m | 2 |
RX108減速機配45KW電機參數
| 型號 | 功率 | 輸出轉數 | 輸出扭矩 | 服務系數 |
| RX108-Y45KW | 45kw | 95rpm | 4540N.m | 0.95 |
| RX108-Y45KW | 45kw | 108rpm | 3960N.m | 1.1 |
| RX108-Y45KW | 45kw | 128rpm | 3360N.m | 1.3 |
| RX108-Y45KW | 45kw | 146rpm | 2940N.m | 1.45 |
| RX108-Y45KW | 45kw | 173rpm | 2480N.m | 1.75 |
| RX108-Y45KW | 45kw | 188rpm | 2280N.m | 1.3 |
| RX108-Y45KW | 45kw | 222rpm | 1930N.m | 1.55 |
| RX108-Y45KW | 45kw | 254rpm | 1690N.m | 1.75 |
| RX108-Y45KW | 45kw | 301rpm | 1420N.m | 2 |
RX108減速電機生產工廠展示:看廠請聯系微信13827261050,獲取位置,需提前一天預約
推薦類似型號:R108減速機
關鍵詞:GRX系列減速機一體式_RX系列減速器_減速器電機一體式_減速機馬達一體式_RX系列減速機_RX型減速機_電機減速機一體式_GRX系列減速機_減速機電機一體式
RX系列斜齒輪減速機型號:RX58減速機,RX68減速機,RX78減速機,RX88減速機,RX98減速機,RX108減速機
RX系列齒輪減速馬達可配變頻電機,剎車電機,防爆電機,伺服電機,交流電機,直流電機,三相電機,單相電機 0.12KW-45KW之間
如需工程師幫選型,請加微信13827261050,留言告知工程師參數要求
標簽:   RX108減速電機 RX107臥式斜齒輪硬齒面減速機 RX107減速機功率 RX107減速機基座尺寸 RX107減速機模型 RX107減速機型號參數
